DIV - Product
DIV GROUP LTD
Croatian English Germany Italian  
Art.: (0)

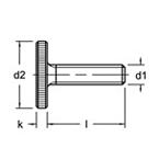
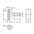
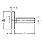
Schrauben mit metrischem Gewinde


  «   2   »  










DIV GROUP