DIV - Product
DIV GROUP LTD
Croatian English Germany Italian  
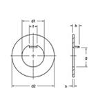
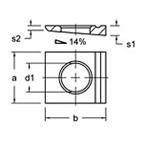
Art.: (0)

Unterlegscheiben


  «   4   »  










DIV GROUP